TPI8032でグリッド フォーミング インバータをつくろう!
V*・ω*+電圧/電流二重ループ
原文著:Daniel BLARDONE (imperix) 2025.10.15 TN168
この技術ノートでは、プログラマブルインバータ TPI 8032 を 系統形成型インバータ(Grid-Forming Inverter:GFMI) として動作させた実装例を紹介しています。
GFMI の動作原理を簡潔に解説するとともに、本構成で用いられている カスケード型 AC 電圧制御系(通常はドループ制御アルゴリズムの内部ループとして使用される)のチューニング手順を詳細に説明しています。
ハードウェアアーキテクチャの概要およびデバイスのプログラミング方法に関する詳細な手順については、PN190 で解説されています。

Grid-forming inverter

Grid-following inverter
系統形成型インバータ(Grid-Forming Inverter:GFMI)と系統追従型インバータ(Grid-Following Inverter:GFLI)は、系統連系インバータの2つの基本的な分類です。
本質的に、系統形成型インバータは、系統の電圧振幅 V および 周波数 ωを設定する理想的な電圧源として動作します。
これに対して、系統追従型インバータは電流源として動作し、系統電圧および周波数に同期しながら、出力電流を制御することで、有効電力 Pや 無効電力 Q を注入または吸収します[1]。
系統形成型インバータ(GFMI)は、特に独立運転(アイランド運転)や孤立した条件におけるマイクログリッドシステムで重要な役割を果たします
。 GFMI の概念は、アイランド運転時において、従来の同期発電機による集中型系統が存在しなくても, 系統を自律的に確立・維持できるインバータを少なくとも1台必要とするという要請から生まれました。
既存の系統に同期して動作する系統追従型インバータとは異なり、GFMI は主電源として動作し, 自己完結型の系統環境を構築します。
また、系統形成型インバータが生成する電圧は、そこに接続される系統追従型インバータにとっての基準として機能します[2]。
しかしながら、マイクログリッドの電圧品質は、系統形成型インバータだけに依存するものではありません。
マイクログリッドの配電線に接続された負荷は、線路沿いの電圧プロファイルに良い影響を与える場合もあれば、悪影響を及ぼす場合もあります。
このため、複数の系統形成型インバータをドループ制御手法と組み合わせて用いることで、電圧品質を向上させると同時に、システムの信頼性を高めることが可能となります。
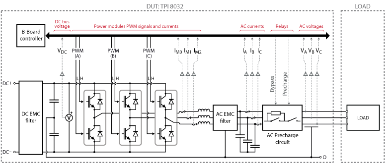
システム全体の回路構成と、主要なプラントパラメーターを以下に示します。

負荷を接続した TPI 8032 の回路構成図
これは、いわゆる VF 制御によって実現されます[3]。
制御方式には 単一ループ制御と二重ループ制御があり、両者の主な違いは、二重ループ制御では電流制限機能を備えている点にあります。
本ノートで示す GFMI 制御は、dq 座標系で動作する PI コントローラを用いた二重ループ制御で構成されています。
その制御ブロック図は、以下のように表されます[3]:

系統形成型インバータの制御ブロック図
システムへの入力は、電力変換器が AC 出力端子で形成する電圧の振幅 V* および 周波数 ω* です。
周波数指令は、ACG SDK の Simulink ブロックセットに含まれる角度生成ブロック内で直接実装されています。
このブロックは本質的には、0~2π の範囲で折り返されるカウンタとして動作します。
外側ループは、AC 系統電圧が指令値に一致するように制御します。
指令電圧と実測電圧との差が PI 電圧コントローラへの入力となり、その出力によって コンバータが注入すべき電流の指令値が生成されます。
内側の制御ループは、外側の電圧ループから与えられた 電流指令値を追従することで、コンバータが供給する電流を制御します。
これらの伝達関数は、システムのプラントモデルに基づいており、カスケード型電圧制御における内側ループおよび外側ループのチューニングに必要となります。
このチューニング手順については、次の章で詳しく説明します。
内側ループの伝達関数は次のとおりです:

内側ループの伝達関数

外側ループの伝達関数

システムのプラントモデル
各制御ループが適切に整理・特定されると、各状態変数を個別に制御することが可能となります。
本例では、両方の制御ループを回転座標系(dq 座標系)で動作する PI コントローラとして実装することを想定しています。
電流制御ループの設計については TN167 で詳しく説明されており、電圧制御については次節でさらに詳述します。
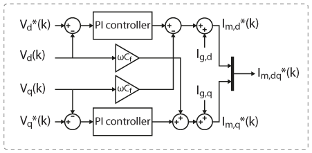
d 軸と q 軸は本質的に相互結合しているため、PI コントローラの出力にデカップリング項が追加されています。
d 軸電圧にステップ変化を与えた場合、q 軸電圧にも変動が生じることは避けられませんが、デカップリング項を導入することで q 軸側の電圧変動が低減され、各軸をより独立して制御できるようになります。

DQ 座標系における電圧制御の詳細ブロック図
電圧制御ループの設計には、文献[4]においてさまざまな手法が提案されています。
本記事では、安定性を重視した確立されたチューニング規則を有することから、対称最適法(Symmetrical Optimum:SO)に基づいて電圧制御ループを設計しています。
実際、本制御系における電圧制御ループの目的は、追従性能(dq 座標系では指令値がほぼ一定)よりも外乱抑制にあるため、帯域幅よりも安定性を優先して最適化することが妥当です。
コントローラのパラメータは、次のように定義されます:
T_(d,eq)を、閉ループ電流制御器の伝達関数における等価遅延とすると、次のように定義されます:
電圧‐電流のカスケード制御系では、電圧制御器は電流制御器よりも遅く動作する必要があります。
そのため、内側ループ(電流制御ループ)の遅延は、外側ループ(電圧制御ループ)のチューニングに含めて考慮されます。
この目的のため、等価遅延(Td1)は 10 倍され、電圧制御器が電流の変化に対して適切に応答し、オーバーシュートや系の不安定化を防ぐように設計されています。
パラメータ Td1は、システム内に存在するすべての小さな遅延の総和を表します。
本例では、サイクル遅延が制御周期の半分未満(Tcy<0.5Ts)であり、PWM には三角波キャリアが使用されています。
そのため、PN142 で定義されている以下の遅延を考慮します:
対応する全遅延(Total Delay)は次のとおりです:Td1=T(d,ctrl)+T(d,PWM)+T(d,avg)=1.5Ts
パラメータ aは、制御関数の極配置(ポール配置)を変更するために使用されます。
・aの値を小さくすると、応答速度が速くなる一方でオーバーシュートが大きくなる
・aの値を大きくすると、減衰特性は向上するが、系の応答は遅くなる
一般的には、a=2 ~ 4 の範囲で設定されます。本技術ノートの例では、a=2 とすることで、高速応答と低オーバーシュートのバランスが良好となっています。
電圧制御のチューニング結果は、以下の表に示されています:

電圧制御器のパラメータ数値
これらのモデルは、オフラインシミュレーションによる系統挙動の確認だけでなく、TPI 8032 コントローラ上でのリアルタイム実行用コードの生成も可能です。
これらのモデルを動作させるための最低要件は次のとおりです:

Simulink における系統形成型インバータの実装
つまり、両ユニットは 同じ Simulink/PLECS モデルからプログラムされています。
GFMI は マスター側ユニット に実装され、SFP ケーブルを介してスレーブ側の GFLI ユニット(能動負荷として動作)に接続されます。
この実験に必要な装置は以下のとおりです:
実験結果は、以下の条件で取得されました:

系統形成型インバータの実験セットアップ
GFMI の動的挙動は、以下の図に示されています。GFLI は、異なる電流ステップを適用しています:
これは、GFMI が 異なる負荷条件下でも系統電圧の振幅と位相を安定して維持できることを示しており、その有効性を実証しています。

abc 座標系における系統電圧および電流
以下の図は、dq 座標系における GFMI の外乱抑制能力を示しています。
制御性能を確認するため、t = 100 ms で -30 A の急峻な負荷ステップが印加されています。

30 A の負荷ステップ時における dq 座標系での系統電流および電圧
d 軸の変化は、系統電圧の q 成分には影響を与えず、q成分はd 成分から正しくデカップリングされています。
本例では、d 軸における外乱抑制性能として、30 A の電流ステップによる電圧変動は 20%(約 391 V) に抑えられており、電圧は 約 1 ms で負荷ステップ前の値に回復しています。
制御要件によっては、この d 軸での外乱抑制性能が十分かどうかが判断されます。
必要に応じて、電圧ループおよび電流ループのチューニングを調整することで性能を最適化できます。
お問い合わせ先
株式会社NEAT
imperix Ltd
GFMI の動作原理を簡潔に解説するとともに、本構成で用いられている カスケード型 AC 電圧制御系(通常はドループ制御アルゴリズムの内部ループとして使用される)のチューニング手順を詳細に説明しています。
ハードウェアアーキテクチャの概要およびデバイスのプログラミング方法に関する詳細な手順については、PN190 で解説されています。
系統形成型インバータの概要

Grid-forming inverter

Grid-following inverter
本質的に、系統形成型インバータは、系統の電圧振幅 V および 周波数 ωを設定する理想的な電圧源として動作します。
これに対して、系統追従型インバータは電流源として動作し、系統電圧および周波数に同期しながら、出力電流を制御することで、有効電力 Pや 無効電力 Q を注入または吸収します[1]。
系統形成型インバータ(GFMI)は、特に独立運転(アイランド運転)や孤立した条件におけるマイクログリッドシステムで重要な役割を果たします
。 GFMI の概念は、アイランド運転時において、従来の同期発電機による集中型系統が存在しなくても, 系統を自律的に確立・維持できるインバータを少なくとも1台必要とするという要請から生まれました。
既存の系統に同期して動作する系統追従型インバータとは異なり、GFMI は主電源として動作し, 自己完結型の系統環境を構築します。
また、系統形成型インバータが生成する電圧は、そこに接続される系統追従型インバータにとっての基準として機能します[2]。
しかしながら、マイクログリッドの電圧品質は、系統形成型インバータだけに依存するものではありません。
マイクログリッドの配電線に接続された負荷は、線路沿いの電圧プロファイルに良い影響を与える場合もあれば、悪影響を及ぼす場合もあります。
このため、複数の系統形成型インバータをドループ制御手法と組み合わせて用いることで、電圧品質を向上させると同時に、システムの信頼性を高めることが可能となります。
系統形成型インバータの制御
本技術ノートでは、プログラマブルインバータとしての TPI 8032 を用いたユースケースを例に、系統形成型インバータの制御について紹介します。システム全体の回路構成と、主要なプラントパラメーターを以下に示します。

負荷を接続した TPI 8032 の回路構成図
| パラメータ | 値 | 説明 |
| Lg | 1.0 mH | メインフィルタのインダクタンス |
| Rg | 54 mΩ | Lgの等価直列抵抗(ESR) |
| Cf | 12.9 μF | フィルタ容量 |
プラントパラメーター
GFMI の適切な制御では、共通結合点(PCC)に接続された一般的な負荷に対して、周波数・電圧・電力供給を安定して維持することが求められます。これは、いわゆる VF 制御によって実現されます[3]。
制御方式には 単一ループ制御と二重ループ制御があり、両者の主な違いは、二重ループ制御では電流制限機能を備えている点にあります。
本ノートで示す GFMI 制御は、dq 座標系で動作する PI コントローラを用いた二重ループ制御で構成されています。
その制御ブロック図は、以下のように表されます[3]:

系統形成型インバータの制御ブロック図
周波数指令は、ACG SDK の Simulink ブロックセットに含まれる角度生成ブロック内で直接実装されています。
このブロックは本質的には、0~2π の範囲で折り返されるカウンタとして動作します。
外側ループは、AC 系統電圧が指令値に一致するように制御します。
指令電圧と実測電圧との差が PI 電圧コントローラへの入力となり、その出力によって コンバータが注入すべき電流の指令値が生成されます。
内側の制御ループは、外側の電圧ループから与えられた 電流指令値を追従することで、コンバータが供給する電流を制御します。
電圧制御器および電流制御器のプラントモデル
以下の式は、制御ループの伝達関数を示しています。これらの伝達関数は、システムのプラントモデルに基づいており、カスケード型電圧制御における内側ループおよび外側ループのチューニングに必要となります。
このチューニング手順については、次の章で詳しく説明します。
内側ループの伝達関数は次のとおりです:

内側ループの伝達関数

外側ループの伝達関数

システムのプラントモデル
本例では、両方の制御ループを回転座標系(dq 座標系)で動作する PI コントローラとして実装することを想定しています。
電流制御ループの設計については TN167 で詳しく説明されており、電圧制御については次節でさらに詳述します。
系統電圧制御
採用している電圧制御ループを以下の回路図に示します。d 軸と q 軸は本質的に相互結合しているため、PI コントローラの出力にデカップリング項が追加されています。
d 軸電圧にステップ変化を与えた場合、q 軸電圧にも変動が生じることは避けられませんが、デカップリング項を導入することで q 軸側の電圧変動が低減され、各軸をより独立して制御できるようになります。

DQ 座標系における電圧制御の詳細ブロック図
本記事では、安定性を重視した確立されたチューニング規則を有することから、対称最適法(Symmetrical Optimum:SO)に基づいて電圧制御ループを設計しています。
実際、本制御系における電圧制御ループの目的は、追従性能(dq 座標系では指令値がほぼ一定)よりも外乱抑制にあるため、帯域幅よりも安定性を優先して最適化することが妥当です。
コントローラのパラメータは、次のように定義されます:
そのため、内側ループ(電流制御ループ)の遅延は、外側ループ(電圧制御ループ)のチューニングに含めて考慮されます。
この目的のため、等価遅延(Td1)は 10 倍され、電圧制御器が電流の変化に対して適切に応答し、オーバーシュートや系の不安定化を防ぐように設計されています。
パラメータ Td1は、システム内に存在するすべての小さな遅延の総和を表します。
本例では、サイクル遅延が制御周期の半分未満(Tcy<0.5Ts)であり、PWM には三角波キャリアが使用されています。
そのため、PN142 で定義されている以下の遅延を考慮します:
- センサ遅延:無視(帯域幅は数十 kHz)
- 制御遅延:T(d,ctrl)=0.5 Ts
- 変調遅延:T(d,PWM)=0.5 Tsw(三角波キャリア)
- 同期平均遅延:T(d,avg)=0.5 Ts
- スイッチング遅延:無視(サブマイクロ秒オーダー)
対応する全遅延(Total Delay)は次のとおりです:Td1=T(d,ctrl)+T(d,PWM)+T(d,avg)=1.5Ts
パラメータ aは、制御関数の極配置(ポール配置)を変更するために使用されます。
・aの値を小さくすると、応答速度が速くなる一方でオーバーシュートが大きくなる
・aの値を大きくすると、減衰特性は向上するが、系の応答は遅くなる
一般的には、a=2 ~ 4 の範囲で設定されます。本技術ノートの例では、a=2 とすることで、高速応答と低オーバーシュートのバランスが良好となっています。
電圧制御のチューニング結果は、以下の表に示されています:

電圧制御器のパラメータ数値
系統形成型インバータ用ソフトウェアリソース
以下に示す制御モデルは、Simulink および PLECS 上で、imperix ACG SDK ブロックセットを用いて実装されています。これらのモデルは、オフラインシミュレーションによる系統挙動の確認だけでなく、TPI 8032 コントローラ上でのリアルタイム実行用コードの生成も可能です。
これらのモデルを動作させるための最低要件は次のとおりです:
- Imperix ACG SDK 2024.2 以降
- MATLAB Simulink R2016a 以降
- シミュレーションのみの場合:Simscape Electrical
- PLECS 4.5.9 以降

Simulink における系統形成型インバータの実装
実験結果
系統形成型制御の実験検証は、マスター‐スレーブ構成で使用される 2 台の TPI によって行われます。つまり、両ユニットは 同じ Simulink/PLECS モデルからプログラムされています。
GFMI は マスター側ユニット に実装され、SFP ケーブルを介してスレーブ側の GFLI ユニット(能動負荷として動作)に接続されます。
この実験に必要な装置は以下のとおりです:
- TPI 8032 三相インバータ ×2台
- ACG SDK ツールボックス(Simulink または PLECS からのコントローラコード自動生成用)
- DC 電源 ×1台(800 V)
- 必要なケーブル類一式
実験結果は、以下の条件で取得されました:
| パラメータ | 値 |
| 制御・スイッチング周波数 | 50 kHz |
| DC バス電圧 | 800 V |
| 目標系統電圧(線‐中性点、実効値) | 230 V RMS |
実験条件

系統形成型インバータの実験セットアップ
- t = 50 ms で 20 A → 30 A の電流ステップ
- t = 100 ms で 30 A → 40 A の電流ステップ
これは、GFMI が 異なる負荷条件下でも系統電圧の振幅と位相を安定して維持できることを示しており、その有効性を実証しています。

abc 座標系における系統電圧および電流
制御性能を確認するため、t = 100 ms で -30 A の急峻な負荷ステップが印加されています。

30 A の負荷ステップ時における dq 座標系での系統電流および電圧
本例では、d 軸における外乱抑制性能として、30 A の電流ステップによる電圧変動は 20%(約 391 V) に抑えられており、電圧は 約 1 ms で負荷ステップ前の値に回復しています。
制御要件によっては、この d 軸での外乱抑制性能が十分かどうかが判断されます。
必要に応じて、電圧ループおよび電流ループのチューニングを調整することで性能を最適化できます。
参考文献
- [1] J. Rocabert, A. Luna, F. Blaabjerg and P. Rodriguez, “Control of Power Converters in AC Microgrids,” in IEEE Trans. on Power Electronics, Nov. 2012.
- [2] D. B. Rathnayake et al., “Grid Forming Inverter Modeling, Control, and Applications,” in IEEE Access, Aug. 2021.
- [3] H. Zhang, W. Xiang, W. Lin and J. Wen, “Grid Forming Converters in Renewable Energy Sources Dominated Power Grid: Control Strategy, Stability, Application, and Challenges,” in Journal of Modern Power Systems and Clean Energy, Nov. 2021.
- [4] K.J. Astrom and T. Hagglund, “PID Controllers: Theory, Design, and Tuning,” ISA, North Carolina, 1995.
愛知県名古屋市千種区池下1-11-21
TEL:052-764-3311 FAX:052-764-3632
TEL:052-764-3311 FAX:052-764-3632
Rue de la Dixence 10 1950 Sion Switzerland
* 記載の会社名および製品名は、各社の登録商標および商標です。






















































































