SiC MOSFET パワーモジュール PEB-800-40|800V/40A
ハーフブリッジモジュール
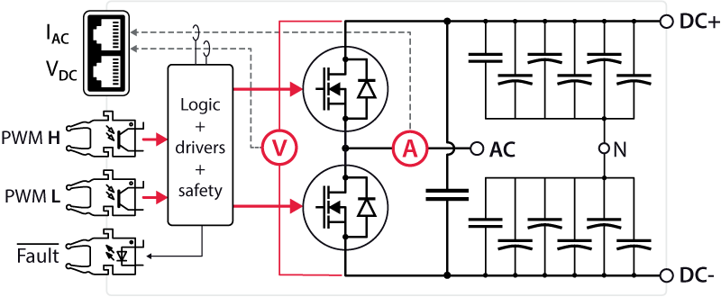
ハーフブリッジモジュール PEB-800-40|800V/40A 主な特徴
- 800V / 40A (rms) @ 20kHz
- 最大200%過負荷(500ms)
- 最大200kHzのスイッチング周波数
- スマートSOA保護
- DC電圧 + AC電流センサー
- 最大1.6kVまでスタック可能なDCバス
多用途SiC MOSFETビルディングブロック
PEB-800-40は、ハーフブリッジトポロジに基づく完全統合型SiC MOSFETモジュールです。
他のImperixモジュールと同様に、ゲート駆動、冷却、測定、保護、放電回路など、必須のサブシステムをすべて内蔵しており、パワーエレクトロニクスのプロトタイプを迅速に開発するための汎用性の高いビルディングブロックとして機能します。
この広範な統合とモジュール形式により、Imperixパワーモジュールは、ほぼすぐに使用可能なパワーステージを提供します。
必要なのは、B-Box 4コントローラなどの外部制御と誘導性素子またはフィルタのみです。これにより、完全なパワーコンバータを実装できます。
PEB-800-40は、あらゆる動作点において優れた電力定格を提供し、大電流アプリケーションではPEB8038、高速スイッチングコンバータではPEB8024のそれぞれの利点を統合することで、これら2つの先行製品に取って代わります。
他のImperixモジュールと同様に、ゲート駆動、冷却、測定、保護、放電回路など、必須のサブシステムをすべて内蔵しており、パワーエレクトロニクスのプロトタイプを迅速に開発するための汎用性の高いビルディングブロックとして機能します。
この広範な統合とモジュール形式により、Imperixパワーモジュールは、ほぼすぐに使用可能なパワーステージを提供します。
必要なのは、B-Box 4コントローラなどの外部制御と誘導性素子またはフィルタのみです。これにより、完全なパワーコンバータを実装できます。
PEB-800-40は、あらゆる動作点において優れた電力定格を提供し、大電流アプリケーションではPEB8038、高速スイッチングコンバータではPEB8024のそれぞれの利点を統合することで、これら2つの先行製品に取って代わります。
すぐにパッと使えるSiC MOSFETモジュール
組み込み機能
各SiC MOSFETモジュールには、以下の要素が組み込まれています。
- SiC MOSFET半導体 x 2
- 保護ロジック付きゲートドライバ
- DCバス電圧および出力(AC)電流センサー
- DCリンクコンデンサ
- Fault出力
- 冷却用ヒートシンク
電力コンバータのプロトタイプ構築のためのモジュール式アプローチ
コンバータをお手軽組み立て
ほとんどの電力コンバータトポロジは基本的なハーフブリッジで実装できるため、PEB-800-40モジュールをわずか数個使用するだけで、幅広い電力コンバータを構築できます。
組み立てを効率化するため、これらのモジュールはImperixコントローラとのプラグアンドプレイ互換性を備えており、計測にはRJ45ケーブル、PWM信号にはプラスチック光ファイバー(POF)を使用します。
さらに、Imperixは電流・電圧センサー、インダクタ、フィルターなどの補助機器やラックマウント機器も提供しています。
ご要望に応じて、LFまたはMFトランスも提供可能です。
組み立てを効率化するため、これらのモジュールはImperixコントローラとのプラグアンドプレイ互換性を備えており、計測にはRJ45ケーブル、PWM信号にはプラスチック光ファイバー(POF)を使用します。
さらに、Imperixは電流・電圧センサー、インダクタ、フィルターなどの補助機器やラックマウント機器も提供しています。
ご要望に応じて、LFまたはMFトランスも提供可能です。
また、制御アルゴリズムの実装を迅速化するために、応用可能なコードサンプルも提供されています。
安全動作のために設計されたSiC MOSFETモジュール
固定の閾値を使用するのではなく、内蔵ロジックがリアルタイムの動作点を継続的に監視し、DCバス電圧、スイッチング周波数、平均デューティサイクルに基づいてモジュールの安全動作領域(SOA)を動的に計算します。
その後、保護閾値はリアルタイムで調整され、定格外の条件下でも安全で信頼性の高い動作を保証します。
その後、保護閾値はリアルタイムで調整され、定格外の条件下でも安全で信頼性の高い動作を保証します。
SOAベースの保護機能による長期過電流閾値の調整に加え、I²tベースの過電流保護機能により短期過負荷も許容します。
これにより、SiC MOSFETモジュールは、長期定格の最大2倍の電流を500ミリ秒間流すことができます。
そのため、ユーザーはモジュール固有の熱慣性を最大限に活用し、より迅速かつ強力な過渡応答を設計できます。
これにより、SiC MOSFETモジュールは、長期定格の最大2倍の電流を500ミリ秒間流すことができます。
そのため、ユーザーはモジュール固有の熱慣性を最大限に活用し、より迅速かつ強力な過渡応答を設計できます。
本システムは、電源回路とロジック回路の間にガルバニック絶縁を採用しており、フローティングDCバスや接地されたDC+端子またはDC-端子などの構成を容易に実現できます。
また、スタック型DCバス構成もサポートしており、適切な筐体とケーブルを使用することで、合計1600V(±800VDC)の電圧を実現できます。
また、スタック型DCバス構成もサポートしており、適切な筐体とケーブルを使用することで、合計1600V(±800VDC)の電圧を実現できます。
SIC MOSFETモジュールを簡単に監視・制御
SiC MOSFETはdV/dtが高いため、大きな電磁干渉(EMI)を発生し、アナログ計測の忠実度を損なう可能性があります。
この課題を軽減するため、オンボードセンサーは堅牢な電磁耐性を備えて設計されており、制御システムへの計測値の正確な伝送を保証します。
さらに、B-Box 4コントローラと併用することで、電流リップルを監視し、潜在的なサンプリング異常を診断する機能も提供します。
この課題を軽減するため、オンボードセンサーは堅牢な電磁耐性を備えて設計されており、制御システムへの計測値の正確な伝送を保証します。
さらに、B-Box 4コントローラと併用することで、電流リップルを監視し、潜在的なサンプリング異常を診断する機能も提供します。
内蔵センサーは、DCリンク電圧と出力電流(ACまたはDC)を迅速に測定できます。
さらに、Imperixは、より高い測定帯域幅を必要とするアプリケーションやその他の状態変数の取得向けに、外付けセンサーも提供しています。
代表的な例としては、AC主電源電圧が挙げられます。
AC主電源電圧は通常、接続リレーの反対側で測定する必要があり、接続前にグリッド同期を確保する必要があります。
さらに、Imperixは、より高い測定帯域幅を必要とするアプリケーションやその他の状態変数の取得向けに、外付けセンサーも提供しています。
代表的な例としては、AC主電源電圧が挙げられます。
AC主電源電圧は通常、接続リレーの反対側で測定する必要があり、接続前にグリッド同期を確保する必要があります。
B-Box 4では、コントローラの自動識別機能によりセンサー設定が効率化されます。
この機能は、接続されたPEB-800-40モジュールを自動検出し、設定ミスの可能性を検証します。
さらに、B-Box 4では、各電源モジュールに保存されている工場出荷時の校正データを利用するオプションが用意されており、測定オフセット誤差を防止・排除できます。
この機能は、接続されたPEB-800-40モジュールを自動検出し、設定ミスの可能性を検証します。
さらに、B-Box 4では、各電源モジュールに保存されている工場出荷時の校正データを利用するオプションが用意されており、測定オフセット誤差を防止・排除できます。
外部コントローラとの併用
B-Box 4は、PEB-800-40 SiC MOSFETモジュールに最適なデジタル制御システムです。
モジュールに直接プラグアンドプレイ接続できるB-Box 4は、最大12個のハーフブリッジを駆動でき、複雑な制御アルゴリズムに必要な処理能力を備えています。
B-Box 4のオーバーサンプリング機能により、電流リップルとパルス幅変調(PWM)パターンを観測できます。
この機能は、システム動作の検証や、サンプリングにおける潜在的な問題の特定に利用できます。
モジュールに直接プラグアンドプレイ接続できるB-Box 4は、最大12個のハーフブリッジを駆動でき、複雑な制御アルゴリズムに必要な処理能力を備えています。
B-Box 4のオーバーサンプリング機能により、電流リップルとパルス幅変調(PWM)パターンを観測できます。
この機能は、システム動作の検証や、サンプリングにおける潜在的な問題の特定に利用できます。
オーバーサンプリング機能とセンサー自動識別機能が搭載されていないにもかかわらず、B-Box RCP3.0およびB-Box Microは、PEB-800-40モジュールとの完全なプラグアンドプレイ互換性を維持しています。
また、PEB-800-40 SiC MOSFETモジュールは、あらゆるサードパーティ製制御プラットフォームと完全な互換性を備えています。
このような構成でも、エンドユーザーはモジュール性と堅牢な保護機能といったメリットを享受できます。
このような構成でも、エンドユーザーはモジュール性と堅牢な保護機能といったメリットを享受できます。
アプリケーション例
パワーエレクトロニクスシステムの基本的な構成要素であるハーフブリッジは、幅広い電力変換トポロジーの構築に用いられます。SiC MOSFETモジュールを組み込んだ標準的なアプリケーションシナリオには、単相および三相インバータに加え、絶縁型および非絶縁型のDC/DCコンバータが含まれます。

昇圧機能付き単相インバータ
使用機器:
・B-Box 4コントローラー 1台
・PEB-800-40 3台

LLC共振DC/DCコンバータ
使用機器:
・B-Box 4コントローラー 1台
・PEB-800-40 3台

インバーターを用いたインターリーブ昇圧
使用機器:
・B-Box 4 コントローラー 1 台
・PEB-800-40 5 台
愛知県名古屋市千種区池下1-11-21
TEL:052-764-3311FAX:052-764-3632
TEL:052-764-3311FAX:052-764-3632
Rue de la Dixence 10 1950 Sion Switzerland
* 記載の会社名および製品名は、各社の登録商標および商標です。






























































